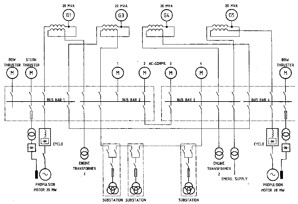
Abbildung 6: Netzkonzept 1

Zurück zum Text "Netzgestaltung mit Duplexdrosseln   -   Weiter zur Abbildung 7 (Netzkonzept 2)

Netzkonzept 1 aus dem Aufsatz"Netzgestaltung von Duplexdrosseln" über die Verwendung von Duplexdrosseln (Stromteilerdrosseln) zur Veringerung der Kurzschlußbelastung und der Verringerung von stromrichterbedingten Oberschwingungen im Netz. Dieses Konzept wurde bei den Kreuzfahrtschiffen "SuperStar Virgo" und "SuperStar Leo" umgesetzt.

Abb. 6: Netzkonzept 1